欢迎来到滕州市博汇机械有限公司官方网站!
设为首页
|
加入收藏
网站首页
关于我们
产品中心
行业应用
新闻中心
常见问答
联系我们
他们都在搜索:
产品类别
产品类别
产品类别
高温旋转接头
高速旋转接头
液压旋转接头
H型旋转接头
D型旋转接头
Q型旋转接头
回转接头
HM连铸机用旋转接头
HK旋转接头
行业专用旋转接头
转炉旋转接头
多通路旋转接头
金属软管
快换接头
旋转接头配件
旋转接头配件
当前位置:
主页
>
产品展示
>
旋转接头配件
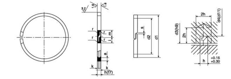
R涨圈
R涨圈密封是将开口的弹性环放入槽中,利用涨圈本身结构的涨紧性,使其外圈紧贴在辊道内壳体上,涨圈的外径与壳体间无相对运动。由于介质压力的作用。涨圈一端面贴合在涨圈槽中的一侧,产生相对运动。用液体或油脂进行润滑和堵漏,从而达到密封作用,是引进设备连铸连轧机辊道的主要密封件。
上一篇:密封叠环
下一篇:暂无
热门文章
旋转接头有哪些常用的类型?
2016-04-30
旋转接头连接金属软管的检测方法
2016-04-30
简述液压旋转接头的工作原理
2016-04-30
制造旋转接头的关键在钻孔
2016-04-30
啥是高速旋转接头?
2016-04-30
单向和双向流通式旋转接头有什么区别?
2016-04-30
网站首页
关于我们
产品中心
行业应用
新闻中心
常见问答
联系我们
Copyright@ 2016 滕州市博汇机械有限公司 版权所有 All Righhts Reserved.
地址:山东滕州市北辛街道后荆沟工业园 电话:0632-5687828 传真:0632-5686899
邮箱:sdtengzhoubohui@163.com 备案号:
鲁ICP备14002186号-1